طريقة تركيب سير المكينة مرسيدس

تغيير سير بانوراما تيربو 550 Belt Replacement W221 S550 Turbo Youtube

تغيير سير بانوراما تيربو 550 Belt Replacement W221 S550 Turbo Youtube

طريقة تركيب سير الدينامو والتكييف فى سيارة اودى 4 محرك 1 9 ت د ئ Tdi Youtube

طريقة تركيب سير الدينامو والتكييف فى سيارة اودى 4 محرك 1 9 ت د ئ Tdi Youtube

طريقه تركيب سير الفورد ٢٠١٠ Youtube

طريقه تركيب سير الفورد ٢٠١٠ Youtube

حراج السيارات مكينة مرسيدس 350 500

حراج السيارات مكينة مرسيدس 350 500

تبديل قايش مرسيدس Youtube

تبديل قايش مرسيدس Youtube

مرسيدس بانوراما S500 المكينه Youtube

مرسيدس بانوراما S500 المكينه Youtube

مرسيدس بانوراما S500 المكينه Youtube

اريد شرح الاتي تغيير سير المكينة تغيير البواجي تغيير صفاية البنزين لليارس

اريد شرح الاتي تغيير سير المكينة تغيير البواجي تغيير صفاية البنزين لليارس

حراج السيارات مكينة شبح 500 مشروطه

حراج السيارات مكينة شبح 500 مشروطه

الطريقة الصحيحة لقياس زيت المكينة للمرسيدس Mercedes Oil Check Youtube

الطريقة الصحيحة لقياس زيت المكينة للمرسيدس Mercedes Oil Check Youtube

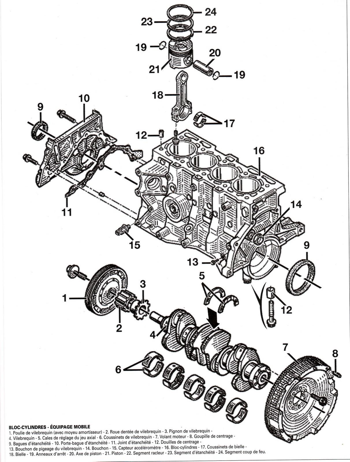
Diagram Based Mercedes Benz B200 Cdi Manual Completed Diagram Base Cdi Manual Rene Char Eardiagram Pcinformi It

Diagram Based Mercedes Benz B200 Cdi Manual Completed Diagram Base Cdi Manual Rene Char Eardiagram Pcinformi It

علامات تشير الى قطع أو تلف في سير التايمن في السيارة المرسال

علامات تشير الى قطع أو تلف في سير التايمن في السيارة المرسال

حراج السيارات للبيع مكينة وقير مستورد بانوراما 350

حراج السيارات للبيع مكينة وقير مستورد بانوراما 350

اريد شرح الاتي تغيير سير المكينة تغيير البواجي تغيير صفاية البنزين لليارس

اريد شرح الاتي تغيير سير المكينة تغيير البواجي تغيير صفاية البنزين لليارس

منتدى السيارات

منتدى السيارات

منتدى السيارات

منتدى السيارات

منتدى السيارات

منتدى السيارات

حراج السيارات مكينة مرسيدس 350 500

حراج السيارات مكينة مرسيدس 350 500

طريقة تركيب السير بسهولة Youtube

طريقة تركيب السير بسهولة Youtube

حراج السيارات محركات مرسيدس 320 Clk للبيع

حراج السيارات محركات مرسيدس 320 Clk للبيع

٨ أغسطس ٢٠١٧ Youtube

٨ أغسطس ٢٠١٧ Youtube

شيفروليه الاسعافات الاوليه لسيارتك ضروريه جدا

شيفروليه الاسعافات الاوليه لسيارتك ضروريه جدا

معلومات مهمة جدا شرح طريقة تغيير سير توقيت المحرك أو الكاتينة وأعراض تلفها وأثاره على السيارة Youtube

معلومات مهمة جدا شرح طريقة تغيير سير توقيت المحرك أو الكاتينة وأعراض تلفها وأثاره على السيارة Youtube

طريقة تغير سير حزام المكينة بنفسك بلا ورش بلا خرابيط Youtube

طريقة تغير سير حزام المكينة بنفسك بلا ورش بلا خرابيط Youtube

مرسيدس 111 الوصف والميزات السيارات 2020

مرسيدس 111 الوصف والميزات السيارات 2020

بالصور تغيير سير المكينه وشداد سير المكينه ليوكون 2002

بالصور تغيير سير المكينه وشداد سير المكينه ليوكون 2002

مرسيدس 111 الوصف والميزات السيارات 2020

مرسيدس 111 الوصف والميزات السيارات 2020

السيور أسعارها زهيدة وانقطاعها يكلفك ثمن المحرك

السيور أسعارها زهيدة وانقطاعها يكلفك ثمن المحرك

سير دينامو مرسيدس 8 سلندر مرسيدس اكتروس سيور قطع الغيار

سير دينامو مرسيدس 8 سلندر مرسيدس اكتروس سيور قطع الغيار

شرح طريقة تركيب سير فورد المرسال

شرح طريقة تركيب سير فورد المرسال

علامات وجود خلل في سير التايمن بالسيارة موقع سيارات خليجية

علامات وجود خلل في سير التايمن بالسيارة موقع سيارات خليجية

بالصور تغيير سير المكينه وشداد سير المكينه ليوكون 2002

بالصور تغيير سير المكينه وشداد سير المكينه ليوكون 2002

مرسيدس أيهما أفضل مرسيدس حجم 350 أو الـ500

مرسيدس أيهما أفضل مرسيدس حجم 350 أو الـ500

بالصور تغيير سير المكينه وشداد سير المكينه ليوكون 2002

بالصور تغيير سير المكينه وشداد سير المكينه ليوكون 2002

الاضرار الناتجة عن تمزق سير الكاتينة مصراوى

الاضرار الناتجة عن تمزق سير الكاتينة مصراوى

فورد اول قطعة تفكها اخر قطعة تركبها

فورد اول قطعة تفكها اخر قطعة تركبها

طريقة فك وتركيب سير المكينة للجيلي إي سي سفن 2013 Youtube

طريقة فك وتركيب سير المكينة للجيلي إي سي سفن 2013 Youtube

بالصور تغيير سير المكينه وشداد سير المكينه ليوكون 2002

بالصور تغيير سير المكينه وشداد سير المكينه ليوكون 2002

تكنــــولوجيــــــــــا الســــــــيارات صيانة محركات السيارات

تكنــــولوجيــــــــــا الســــــــيارات صيانة محركات السيارات

السيور قد تكون سبب في صدور أصوات غريبة عند تشغيل محرك السيارة هتلاقى

السيور قد تكون سبب في صدور أصوات غريبة عند تشغيل محرك السيارة هتلاقى

Striveme تعرف على علامات خراب جنزير المكينة وكل ما تريد معرفته عنه

Striveme تعرف على علامات خراب جنزير المكينة وكل ما تريد معرفته عنه

Source : pinterest.com